
Zapfenkugelhahn aus Stahlguss
Größe: 2"~40"
Druckstufe: 150LB~600LB
Gehäusematerial: Kohlenstoffstahl / Edelstahl / legierter Stahl / Spezial (Monel / Inconel / Hastelloy usw.)
Endverbindung: RF/RTJ/BW
Bedienung: Hebel/Getriebe/Motor/Pneumatikantriebe
Hochleistungs-Kugelhahn 2"~40" 150LB~600LB API6D-Betrieb bei hohem Leitungsdruck
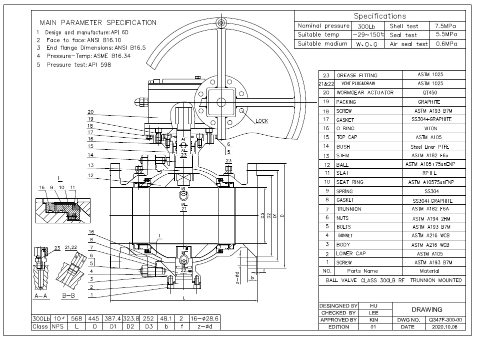
Auf Zapfen montierte Kugel
Modell Nr. Zapfenkugelhahn aus Stahlguss
Größe: 2"~40"
Druckstufe: 150LB~600LB
Gehäusematerial: Kohlenstoffstahl / Edelstahl / legierter Stahl / Spezial (Monel / Inconel / Hastelloy usw.)
Endverbindung: RF/RTJ/BW
Bedienung: Hebel/Getriebe/Motor/Pneumatikantriebe
Sitztyp: Weicher Sitz/Metallsitz
Design: Ausblassicheres Schaftdesign, antistatisches Design und feuersicheres API 607-Design
Bohrung: Vollbohrung und reduzierte Bohrung
Zertifikat: CE/PED, ISO, API6D, FEUERSICHER
Produktübersicht:
DIANTAI zapfenmontierte Kugelhähne aus Stahlguss
- In einer Vielzahl von Gussmaterialien, darunter Kohlenstoffstahl, legierter Stahl und Edelstahl.
- Die Kugel eines zapfenmontierten Kugelhahns ist an zwei Drehpunkten (oberer Schaft und unterer Schaft) fixiert oder eingespannt.
- Durch die Verwendung eines Lagers am unteren Schaft (Zapfen) ist nur eine Schwenkbewegung innerhalb der Körperhöhle möglich.
- Der vorgeschaltete Sitz ist ein Schwimmsitz und wird durch den Prozessdruck gegen die Dichtfläche der Kugel gedrückt.
- Der Sitz kann bei der Montage auch vorgespannt werden, indem Sitze mit Federwirkung verwendet werden. Diese Konstruktion übt nach dem Einbau der Kugel einen kontinuierlichen Druck auf eine auf einem Zapfen montierte Kugel aus, während die oberen Teile eine Last auf das gesamte Verschlusselement ausüben.
- Auf Zapfen montierte Kugelhähne aus Stahlguss haben oft einen weichen Sitz und können eine blasendichte Abdichtung erreichen.

Auszugsweise Liste der Anwendungen:
- Öl- und Gaspipelines
- Raffinerien und petrochemische Anlagen
- Energieerzeugung
- Gas- und kohlebefeuerte Turbinen
- Fernwärme
- Gasmesssysteme
- Offshore-Plattformen
- HIPPS-Systeme
- Kryo-Serviceanwendungen
- Notabschaltventile
- Zellstoff und Papier
- Bergbau
- Kesseldampf- und Abflussanwendungen
Beliebte label: Zapfenkugelhahn aus Stahlguss, Hersteller von Zapfenkugelhahn aus Stahlguss in China, Ballventile Wartung, Clients der Ballventile, Ballventile Distributoren, Ballventile Ersatz, Temperaturbereich der Kugelventile, Ballventile Effizienz
Anfrage senden








